Rénovation logicielle (Bancs PAC FCLAB)
La Fédération de Recherche CNRS FCLAB (FR CNRS 3539) dispose d'une dizaine de bancs de tests dédiés à la mise en œuvre, la caractérisation et la mise sous contraintes spécifiques de piles à combustible de diverses technologies.
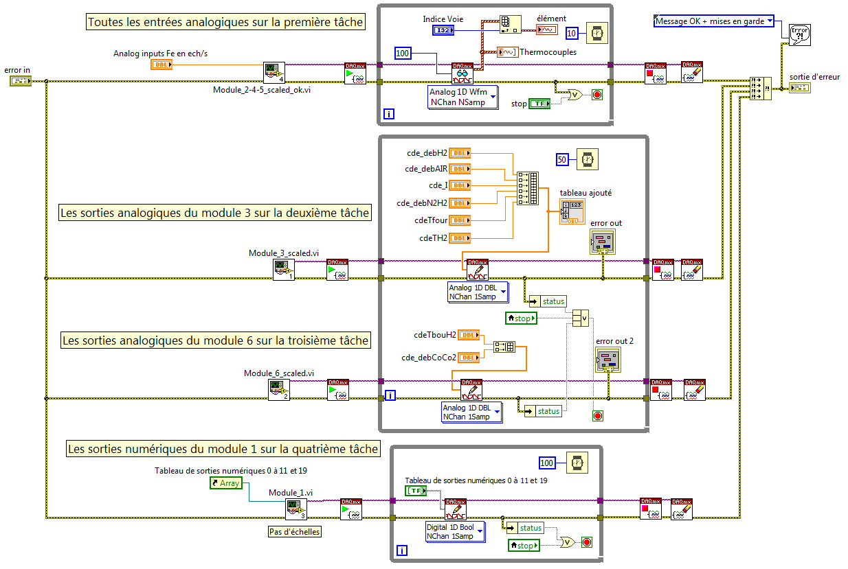
Ce projet a consisté à adapter les applications existantes à une version récente de LabVIEW. Les développements ont plus particulièrement porté sur la partie acquisition et génération de signaux en utilisant les fonctions de la bibliothèque DAQmx tout en intégrant la fonction de transfert des capteurs et actionneurs de bancs de tests dont certains disposent d'une centaine d'entrée/sorties.
Diagramme d'une application de test et de validation

Extrait d'une Interface Homme/Machine de tests

Extrait du diagramme d'une application structurée et intégrant la synchronisation par files d'attente et une machine à états
